| IHG100-100_不銹鋼管道離心泵 | ||||||||||||||||||
| 發布者:www.yujiamuye.com 發布時間:16-07-24 閱讀:次 |
||||||||||||||||||
不銹鋼管道離心泵IHG100-100概述: IHG100-100_不銹鋼管道離心泵是我公司上海渤泉泵業制造有限公司結合國內外技術在ISG管道泵基礎上派聲生出適用耐腐蝕性化工泵。該系列泵性能優、可靠性高、壽命長、結構合理、 外形美觀,具有行業領先水平。
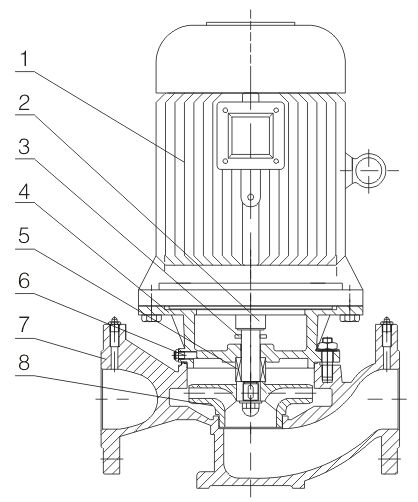
IHG100-100_不銹鋼管道離心泵基本結構: 該款犀離心泵的基本部件是高速旋轉的葉輪和固定的蝸牛形泵殼。具有若干個(通常為4~12個)后彎葉片的葉輪緊固于泵軸上,并隨泵軸由電機驅動作高速旋轉。葉輪是直接對泵內液體做功的部件,為離心泵的供能裝置。泵殼中央的吸入口與吸入管路相連接,吸入管路的底部裝有單向底閥。泵殼側旁的排出口與裝有調節閥門的排出管路相連接。 IHG100-100_不銹鋼管道離心泵工作原理: 當離心泵啟動后,泵軸帶動葉輪一起作高速旋轉運動,迫使預先充灌在葉片間液體旋轉,在慣性離心力的作用下,液體自葉輪中心向外周作徑向運動。液體在流經葉輪的運動過程獲得了能量,靜壓能增高,流速增大。當液體離開葉輪進入泵殼后,由于殼內流道逐漸擴大而減速,部分動能轉化為靜壓能,最后沿切向流入排出管路。所以蝸形泵殼不僅是匯集由葉輪流出液體的部件,而且又是一個轉能裝置。當液體自葉輪中心甩向外周的同時,葉輪中心形成低壓區,在貯槽液面與葉輪中心總勢能差的作用下,致使液體被吸進葉輪中心。依靠葉輪的不斷運轉,液體便連續地被吸入和排出。液體在離心泵中獲得的機械能量最終表現為靜壓能的提高。 需要強調指出的是,若在離心泵啟動前沒向泵殼內灌滿被輸送的液體,由于空氣密度低,葉輪旋轉后產生的離心力小,葉輪中心區不足以形成吸入貯槽內液體的低壓,因而雖啟動離心泵也不能輸送液體。這表明離心泵無自吸能力,此現象稱為氣縛。吸入管路安裝單向底閥是為了防止啟動前灌入泵殼內的液體從殼內流出。空氣從吸入管道進到泵殼中都會造成氣縛。 IHG100-100_不銹鋼管道離心泵產品特點: 1、泵為立式結構,進出口口徑相同,且位于同一中心線上,可象閥門一樣安裝于管路之中,外形緊湊美觀,占地面積小,建筑投入低,如加上防護罩則可置于戶外使用。 2、葉輪直接安裝在電機的加長軸上,軸向尺寸短,結構緊湊,泵與電機軸承配置合理,能有效地平衡泵運轉產生的徑向和軸向負荷,從而保證了泵的運行平穩,振動小、噪音低。 3、軸封采用機械密封或機械密封組合,采用進口鈦合金密封環、中型耐高溫機械密封和采用硬質合金材質,耐磨密封,能有效地延長機械密封的使用壽命。 4、安裝檢修方便,無需拆動管道路系統,只要卸下泵聯體座螺母即可抽出全部轉子部件。 5、可根據使用要求即流量和揚程的需要采用泵的串、并聯運行方式。 6、可根據管路布置的要求采用泵的豎式和橫式安裝。 IHG100-100_不銹鋼管道離心泵工作條件: 1、吸入壓力≤1. 0MPa,或泵系統最高工作壓力≤1.6MPa,即泵吸入口壓力+泵揚程≤1.6MPa,泵靜壓試驗壓力為2.5MPa,訂貨時請注明系統工作壓力。泵系統工作壓力大于1.6MPa時應在訂貨時另行提出,以便在制造時泵的過流部分和聯接部分采用鑄鋼材料。 2、環境溫度<40℃,相對濕度<95%。 3、所輸送介質中固體顆粒體積含量不超過單位體積的0.1%,粒度<0.2mm。 注:如使用介質為帶有細小顆粒,請在訂貨時說明,以便廠家采用耐磨式機械密封。 ![]() ![]() 1、電動機:直接與水泵聯接傳送動力,采用上海名牌電機。 2、泵軸:與電機同軸,為電機加長軸確保了軸的同心,使泵運行平穩無噪音和振動現象,增強了使用壽命。 3、擋水圈:防止因密封漏水而使電機進水。 4、泵蓋:巧妙設計,既美觀又降低泵的重心和軸的懸臂,增強了泵的運行穩定性和壽命。 5、機械密封:采用不銹鋼、碳化鎢、氟橡膠等材料制成。平衡式耐高溫,高壓機械密封,運行壽命長,不滲漏,對軸無磨損;不積水垢,保證工作環境的整潔。 6、排氣閥:灌泵時能排凈泵內空氣,保證了泵的正常啟動。 7、泵體:壓出室和吸入室采用優秀水力模型設計而成,既美觀又高效,設有安裝底腳,便于安裝和運行穩定。 8、葉輪:采用優秀的水力模型設計而成,具有高效率。 ![]()
|
||||||||||||||||||
|
||||||||||||||||||
| 相關產品:臥式不銹鋼離心泵 化工自吸泵 不銹鋼循環泵 防爆管道泵 鍋爐給水泵 不銹鋼管道泵 不銹鋼潛水排污泵 耐腐蝕化工泵 不銹鋼管道離心泵 防爆離心泵 襯氟離心泵 襯氟自吸泵 不銹鋼耐酸堿潛水泵 耐腐蝕排污泵 不銹鋼排污泵 不銹鋼自吸泵 隔膜計量泵 熱水潛水泵 熱水排污泵 耐高溫排污泵 電動插桶泵 耐高溫潛水泵 |





